Wysoka jakość

Produkty

Wyłączny przedstawiciel CIRCOR INSTRUMENTATION TECHNOLOGIES Inc. w Polsce.
Nasze rozwiązania sprawdzają się w każdych warunkach ciśnienia, temperatury i rodzaju mediów.

seria 6600

Zastosowanie:

  • do szybkiego i łatwego, manualnego odpowietrzania lub oczyszczania instalacji mediów gazowych/ciekłych
  • w instalacjach hydraulicznych, powietrza lub gazu ziemnego

Parametry techniczne:

  • ciśnienie pracy: 6000 PSIG w temp. 70°F (41,4 MPa przy temp. 21°C)
  • temperatura pracy: od -40 do +316°C
  • przyłącza: przyłącza GYROLOK: 1/4″, 3/8″, 1/2″
  • materiały:
    • stal nierdzewna
    • Fluoroelastomer

Właściwości:

  • kompaktowa budowa, łatwość montażu
  • możliwe trzy konfiguracje zaworu: prosta, kolanko, czwórnik
  • specjalne gwinty NPT wysokiej tolerancji

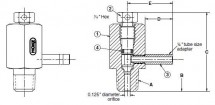
Seria 6631 - z rurką odpowietrzającą

Zastosowanie:

  • do odpowietrzania lub oczyszczania instalacji mediów gazowych/ciekłych
  • na zaworach manometrycznych
  • ciśnienie pracy: 5000 PSIG w temp. 70°F (34,5 MPa przy temp. 21°C)
  • temperatura pracy: od -29 do +218°C
  • przyłącza: przyłącza GYROLOK: 1/4″, 1/2″
  • materiały:
    • stal nierdzewna
    • Fluoroelastomer

    Właściwości:

    • seria 6631 zaopatrzona jest w rurkę odpowietrzającą (adapter fi 1/4″) do ukierunkowania odprowadzonego z instalacji medium (patrz rys. niżej)
    • Uwaga: jeśli odprowadzone medium nie będzie magazynowane, rurka odpowietrzająca musi zostać połączona z instalacją, w celu uniknięcia zagrożenia dla osób otwierających zawór.

    Instrukcje dla użytkownika zaworów serii 6600/6631:

    • obsługa zaworu odbywa się przez odkręcenie nakrętki portu odpowietrzenia; należy przytrzymać korpus zaworu podczas odkręcania
    • gdy port odpowietrzenia jest otwarty, instalacja oczyszcza się przez otwór w nakrętce; należy się upewnić, że użytkownik nie znajduje się na linii uchodzenia medium
    • osoby użytkujące zawór powinny nosić odzież ochronną, oraz szczególnie chronić oczy
    • niedozwolone jest dokonywanie samodzielnych napraw lub demontażu elementów konstrukcyjnych zaworu